Продукты
Фланцевый обратный клапан
  • Фланцевый обратный клапанФланцевый обратный клапан

Фланцевый обратный клапан

Фланцевый обратный клапан производится компанией GenTant, ведущим производителем и поставщиком клапанов в Китае. Наша фабрика обслуживает обширную и разнообразную клиентуру, чему способствует солидный мировой экспортный опыт. Мы успешно поставляем высококачественную арматуру многочисленным клиентам и на основные рынки по всему миру, включая обширный экспорт в Европу, Северную Америку и Россию. Этот международный охват демонстрирует нашу доказанную способность соответствовать различным международным стандартам и строгим требованиям глобальных инженерных проектов, укрепляя нашу репутацию надежного и способного партнера в отрасли управления потоками.

Фланцевый обратный клапан — это надежное промышленное устройство контроля потока, предназначенное для автоматического разрешения потока жидкости в одном направлении и предотвращения обратного потока в системе трубопроводов. Это достигается за счет шарнирного диска или поворотного механизма, который открывается под давлением вперед и закрывается под действием силы тяжести и/или давления обратного потока, создавая надежное уплотнение. Его отличительная особенность — фланцевые концы — позволяет надежно и легко крепить болты между фланцами труб, обеспечивая герметичное соединение высокой целостности, подходящее для применений с высоким давлением и большим диаметром. Эта функция имеет решающее значение для защиты насосов, компрессоров и другого ключевого оборудования от повреждений из-за гидравлического удара и обратного потока, а также для поддержания эффективности и безопасности систем в водоподготовке, производстве электроэнергии, химической переработке и нефтегазовой промышленности.


Характеристики и применение продукта

Фланцевый обратный клапан предназначен для надежного одностороннего регулирования потока в трубопроводных системах. Он оснащен фланцевыми концами для легкой установки и прочными, герметичными соединениями. Его поворотный или подъемный механизм предотвращает обратный поток, защищая насосы, трубопроводы и оборудование от повреждений. Широко используемый в системах водоснабжения, отопления, вентиляции и кондиционирования, промышленных и химических системах, он обеспечивает надежную работу, сокращает объем технического обслуживания и поддерживает стабильную работу системы.


Параметр продукта

1. Номинальное давление: 1,6 МПа.  

2. Рабочая среда: вода, неагрессивные и негорючие газы.

3. Рабочая температура: -20°C ≤ T ≤ 150°C.  


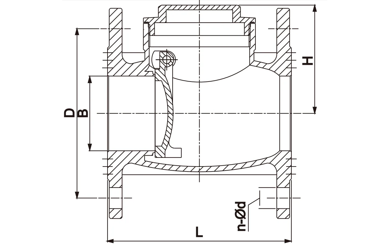
Размер продукта

Flanged Check Valve

DN

Д (мм)

Хм)

Д (мм)

Б (мм)

н-⌀д

Вес (г)

40

135

73

110

40

4-18

3893.0

50

143

85

125

50

4-18

5381.0

65

160

95

145

65

4-18

7611.0

80

185

104

160

80

8-18

9445.0

100

210

118

180

100

8-18

12885.0

125

235

133

210

120

8-18

18550.0

150

263

142

240

142

8-23

27000.0


Рекомендации по установке

1. Перед установкой клапана тщательно очистите и подготовьте систему трубопроводов.

2. Перед установкой снимите все защитные торцевые крышки и осмотрите отверстия клапана и посадочные поверхности, чтобы убедиться в их чистоте.

3. Обеспечьте достаточную поддержку клапана, чтобы избежать нагрузки от соединения трубопроводов.

4. Убедитесь, что номинальные значения давления и температуры клапана соответствуют предполагаемым условиям эксплуатации.

5. Перед вводом фланцевого обратного клапана в эксплуатацию полностью переключите его из открытого состояния в закрытое, чтобы убедиться в плавности работы.

6.После установки убедитесь, что уплотнительная гайка затянута должным образом.


Примечание 1. Фланцевые обратные клапаны можно устанавливать на горизонтальных или вертикальных трубопроводах с восходящим потоком или в промежуточных положениях при условии, что шарнирный штифт на обратных клапанах поворотного типа остается горизонтальным. Установите обратные клапаны на достаточном расстоянии от выпускных отверстий насоса или других источников турбулентного потока. Подробную информацию см. в соответствующем техническом бюллетене.


Примечание 2. Некоторые обратные клапаны могут иметь внутреннюю упаковку для защиты диска во время транспортировки. Перед установкой удалите весь такой упаковочный материал.


Инструкция по эксплуатации

Фланцевые обратные клапаны работают автоматически и не требуют ручного вмешательства.


Осмотр и техническое обслуживание

1. Регулярный осмотр и профилактическое обслуживание, как правило, не требуются, за исключением периодической регулировки уплотнения штока и периодического переключения клапана из открытого в закрытое состояние.

2. Если произошла утечка из сальника, затяните гайку сальника по часовой стрелке примерно на четверть оборота (или до тех пор, пока утечка не прекратится), чтобы увеличить давление уплотнения на сальник штока. Никогда не набивайте клапан, пока он находится под давлением в системе.

3. При замене штока клапана также замените упаковочный материал.


Запасные части

В нормальных условиях эксплуатации запасные части требуются редко. Рекомендуемые запасные части для каждого типа клапана включают в себя: Диск, держатель и шарнир в сборе.

При заказе деталей укажите номер клапана, размер, требуемую деталь и приблизительный возраст.


Обслуживание

1.Регулярная уборка. Во избежание влияния примесей и отложений в трубопроводе на обратный клапан необходимо регулярно очищать цельномедный горизонтальный обратный клапан и внутреннюю часть трубопровода.


2.Обратите внимание на чередование подачи холодной и горячей воды. Частое открытие и закрытие обратного клапана может привести к повреждению, поэтому следует избегать чередования операций с холодной и горячей водой.


3. Обратите внимание на давление. При использовании цельномедного горизонтального обратного клапана следует обратить внимание на ситуацию с давлением внутри трубопровода, поскольку чрезмерно высокое давление окажет неблагоприятное воздействие на обратный клапан. Короче говоря, полностью медный горизонтальный обратный клапан является широко используемым устройством в трубопроводных системах, его использование и обслуживание очень просты и легки. При фактическом использовании пользователи должны работать и обслуживать в соответствии с вышеуказанными требованиями, чтобы обеспечить эффект от использования.



Горячие Теги: Китай Фланцевый обратный клапан Производитель, Поставщик, Фабрика
Отправить запрос
Контакты
  • Адрес

    Диеюань-роуд, район Иньчжоу, Нинбо, Чжэцзян, Китай

  • Электронная почта

    zchen@gentantvalves.com

Если у вас есть какие-либо вопросы по поводу предложения или сотрудничества, напишите нам по адресу zchen@gentantvalves.com или воспользуйтесь следующей формой запроса. Наш торговый представитель свяжется с вами в течение 24 часов. Благодарим вас за интерес к нашей продукции.
X
Мы используем файлы cookie, чтобы предложить вам лучший опыт просмотра, анализировать трафик сайта и персонализировать контент. Используя этот сайт, вы соглашаетесь на использование нами файлов cookie. политика конфиденциальности
Отклонять Принимать